Anyone?
I'd like to relay my L400 DRL's with the headlights for individual operation. Is there a relay that can be tied into with a NO and NC circuit on the lo beams? Do I need to tie in an additional relay?
thx
TLGF
lo beam and led relay
-
thelazygreenfox
- Posts: 904
- Joined: Tue Jun 08, 2010 7:21 am
- Member's Photo Album: http://www.delica.ca/Photos/
- Vehicle: 99 white Hi roof gas Chamonix
- Location: Coquitlam B.C.
- Location: coquitlam canada
lo beam and led relay
Wear your mask, it keeps others from seeing the parsley in your teeth
-
WhoGotTheFunk
- Posts: 46
- Joined: Sun May 04, 2008 9:04 pm
- Member's Photo Album: http://www.delica.ca/Photos/
- Vehicle: Hopefully a Delica
Re: lo beam and led relay
So you want the DRL's to turn on when you turn the headlight switch to the first position?
-
thelazygreenfox
- Posts: 904
- Joined: Tue Jun 08, 2010 7:21 am
- Member's Photo Album: http://www.delica.ca/Photos/
- Vehicle: 99 white Hi roof gas Chamonix
- Location: Coquitlam B.C.
- Location: coquitlam canada
Re: lo beam and led relay
WGTF
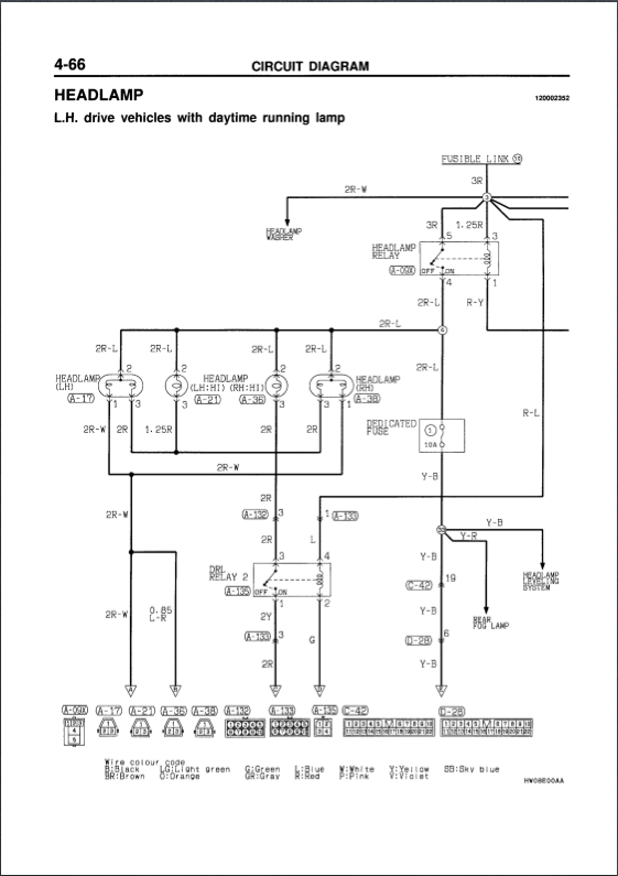
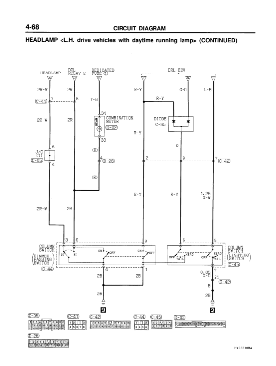
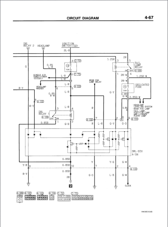
Not exactly. The DRL's are presently powered to turn on when the key is turned on (no relay)but I want them to turrn off when the headlights come on. The headlights turn on with a relay and I hoped to use the NO or NC relay side to power the DRL's when the HL's (2nd position) were off.
I'm not sure how the parking lights tie in with the HL's. I'll have to look at the wiring diagram.
TLGF
Not exactly. The DRL's are presently powered to turn on when the key is turned on (no relay)but I want them to turrn off when the headlights come on. The headlights turn on with a relay and I hoped to use the NO or NC relay side to power the DRL's when the HL's (2nd position) were off.
I'm not sure how the parking lights tie in with the HL's. I'll have to look at the wiring diagram.
TLGF
Wear your mask, it keeps others from seeing the parsley in your teeth
-
WhoGotTheFunk
- Posts: 46
- Joined: Sun May 04, 2008 9:04 pm
- Member's Photo Album: http://www.delica.ca/Photos/
- Vehicle: Hopefully a Delica
Re: lo beam and led relay
My Deli has LED strips under my headlights as the DRL's. They turn off when I turn the headlights on, if I have time today I'll try and see how they're wired in for you.
Maybe this will help a bit.
Maybe this will help a bit.
- Attachments
-
- Screen Shot 2013-07-16 at 11.39.51 AM.png (106.23 KiB) Viewed 2570 times
-
- Screen Shot 2013-07-16 at 11.40.10 AM.png (172.3 KiB) Viewed 2570 times
-
- Screen Shot 2013-07-16 at 11.35.29 AM.png (101.21 KiB) Viewed 2570 times
-
- Screen Shot 2013-07-16 at 11.35.41 AM.png (98.48 KiB) Viewed 2570 times
-
- Screen Shot 2013-07-16 at 11.35.55 AM.png (89.87 KiB) Viewed 2570 times
-
- Screen Shot 2013-07-16 at 11.36.06 AM.png (145.92 KiB) Viewed 2570 times
-
thelazygreenfox
- Posts: 904
- Joined: Tue Jun 08, 2010 7:21 am
- Member's Photo Album: http://www.delica.ca/Photos/
- Vehicle: 99 white Hi roof gas Chamonix
- Location: Coquitlam B.C.
- Location: coquitlam canada
Re: lo beam and led relay
thanks WGTF
I'll check for a 10 terminal connector with a red outlet wire off DRL-1. It may be powered opposite of the headlights, hard to tell from the wiring diagram but I'll keep my fingers crosssed.
thx
TLGF
I'll check for a 10 terminal connector with a red outlet wire off DRL-1. It may be powered opposite of the headlights, hard to tell from the wiring diagram but I'll keep my fingers crosssed.
thx
TLGF
Wear your mask, it keeps others from seeing the parsley in your teeth
-
thelazygreenfox
- Posts: 904
- Joined: Tue Jun 08, 2010 7:21 am
- Member's Photo Album: http://www.delica.ca/Photos/
- Vehicle: 99 white Hi roof gas Chamonix
- Location: Coquitlam B.C.
- Location: coquitlam canada
Re: lo beam and led relay
WGTF Oops, a slight problem. No drl relays under my hood. Guess it only makes sense Mitsu wouldn't wire for something that wasn't part of the original equipement.
I have a few relays above my glove box that I installed with room for 2 more and fuses. Guess that'll be the location but not now. No time the next 2 weeks.
I have a few relays above my glove box that I installed with room for 2 more and fuses. Guess that'll be the location but not now. No time the next 2 weeks.
Wear your mask, it keeps others from seeing the parsley in your teeth