Defogger Switch / Relay ?
-
Furi
- Posts: 167
- Joined: Mon Apr 11, 2016 11:00 am
- Member's Photo Album: http://www.delica.ca/Photos/
- Vehicle: 1990 L300
- Location: Queens, NY
Defogger Switch / Relay ?
hey all...
I'm trying to repurpose a few of the switches that I no longer use on the dash. One being the Defogger switch (installed a rear camera and blocked off the back as part of a camper conversion).
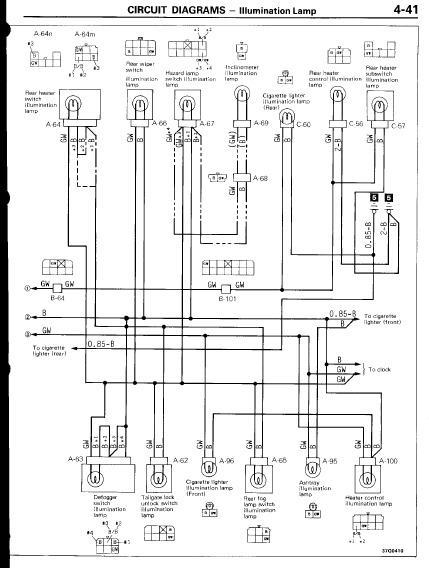
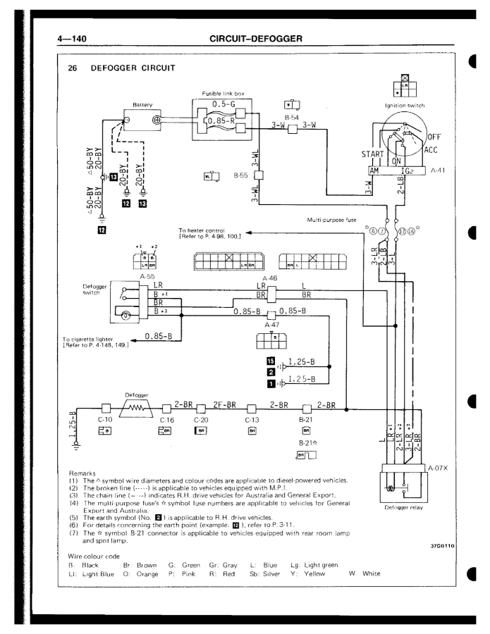
I found a wiring diagram (attached), and I see that there is power(LR - L) going from the switch to the relay, but I don't see power going into the switch.
Tested the LR,B1 and power is turned on when turning the switch on. Also tested the BR,B2 posts and the light in the switch lights up.
The actual switch has 6 connections, not 4 as displayed on the diagram. Do I have the right diagram?
Is it the 2 undocumented posts on the switch? Or something fancy going on in the relay?
Delica 1990 L300 4D56
Thanks in advance.
I'm trying to repurpose a few of the switches that I no longer use on the dash. One being the Defogger switch (installed a rear camera and blocked off the back as part of a camper conversion).
I found a wiring diagram (attached), and I see that there is power(LR - L) going from the switch to the relay, but I don't see power going into the switch.
Tested the LR,B1 and power is turned on when turning the switch on. Also tested the BR,B2 posts and the light in the switch lights up.
The actual switch has 6 connections, not 4 as displayed on the diagram. Do I have the right diagram?
Is it the 2 undocumented posts on the switch? Or something fancy going on in the relay?
Delica 1990 L300 4D56
Thanks in advance.
- Attachments
-
- Defogger-switch-wiring.png (213.19 KiB) Viewed 22388 times
Re: Defogger Switch / Relay ?
I think the way the circuit is drawn closing the switch provides a ground for the relay to complete the circuit. The power comes from the ignition switch. I've noticed that most of the wiring controls the ground for the circuit which is a bit unusual for NA vehicles and takes a while to get used to.
What color are the wires on the remaining switch posts, if any? That may be a clue.
What color are the wires on the remaining switch posts, if any? That may be a clue.
-
Furi
- Posts: 167
- Joined: Mon Apr 11, 2016 11:00 am
- Member's Photo Album: http://www.delica.ca/Photos/
- Vehicle: 1990 L300
- Location: Queens, NY
Re: Defogger Switch / Relay ?
Thx for the feedback. So your thinking its setup as a negative/ground trigger for the relay? Are you seeing that in the Diagram? Still learning how to read these things.
yes the other two posts on the switch that are blank in the diagram do have connections. color is Green/White, and Black on the other side which assuming is ground.
yes the other two posts on the switch that are blank in the diagram do have connections. color is Green/White, and Black on the other side which assuming is ground.
- Attachments
-
- 20201127_140958.jpg (77.43 KiB) Viewed 21763 times
Re: Defogger Switch / Relay ?
The drawing I have for the switch does not show the extra contact either. It must be something related to the defogger. I've attached a copy of the wire codes just incase you don't have it. The green is a signal which means it likely turns on something and as you say the black is ground. Your van must have a really special option!
By the way do you have all the electrical drawings in an 8.5 x 11 format? That would be really nice to get copies of. The 24 x 36 I have is really hard to read wire colors.
By the way do you have all the electrical drawings in an 8.5 x 11 format? That would be really nice to get copies of. The 24 x 36 I have is really hard to read wire colors.
- Attachments
-
- Wire colors
- 100_9810a.JPG (65.02 KiB) Viewed 21747 times
-
Furi
- Posts: 167
- Joined: Mon Apr 11, 2016 11:00 am
- Member's Photo Album: http://www.delica.ca/Photos/
- Vehicle: 1990 L300
- Location: Queens, NY
Re: Defogger Switch / Relay ?
My Furi is definitely special :) But not seeing anything out of ordinary in the diagram, other than no power being supplied to the switch.
And no wiring from the switch to the relay other than a power/ground to flip the relay. How would a negative trigger work? Do you see that in the diagram?
On electrical drawing... its from the Manuals shared by a kind Soul (Roger Emery) on google drive. Link below. This specific drawing was from Electrical Wiring (1987).pdf
https://drive.google.com/drive/folders/ ... UJJRDh4bVk
And no wiring from the switch to the relay other than a power/ground to flip the relay. How would a negative trigger work? Do you see that in the diagram?
On electrical drawing... its from the Manuals shared by a kind Soul (Roger Emery) on google drive. Link below. This specific drawing was from Electrical Wiring (1987).pdf
https://drive.google.com/drive/folders/ ... UJJRDh4bVk
Re: Defogger Switch / Relay ?
I would not worry about the extra contact - just remove it. I marked up your drawing to show how things work now and how you need to change them. They are done as jpg as I can't add pdf's for some reason. The first one with the orange marking shows how the circuit works now. Power comes from the ignition switch, though the relay then the switch to ground. Closing the switch completes the circuit to operate your defogger. The second picture with the blue markings shows what you need to make the switch operate something else. You need to get 12v from somewhere and attach it to one side of the switch. The other side of the switch goes to your new device and then to ground. You also will need to jumper the switched leg to the indicating light so it works. Questions!
Oh - thanks for the site for all the Delica info. I think I have seen some of it before but this is great to have it all in one place.
Oh - thanks for the site for all the Delica info. I think I have seen some of it before but this is great to have it all in one place.
- Attachments
-
- Existing circuit
- defog001a.jpg (46.85 KiB) Viewed 19623 times
-
- New circuit
- defog002a.jpg (45.4 KiB) Viewed 19623 times
- deskinthewoods
- Posts: 241
- Joined: Thu Mar 08, 2018 10:35 am
- Member's Photo Album: http://www.delica.ca/Photos/
- Vehicle: 1991 L300 Star Wagon named "Wilson"
- Location: Wakefield, Québec
Re: Defogger Switch / Relay ?
I agree. Though I would pull the relay and put a jumper (a bit of wire shoved into the correct sockets, #2  I think) to connect the circuit.I would not worry about the extra contact - just remove it.
Then break your hot wire and run that to and from your new use.
I'd also check the continuity across the two unknown terminals of the switch to see if they are switched together (the switch activates that circuit) or with the other circuits.
I'll try to have a look at mine tomorrow...
Last edited by deskinthewoods on Fri Dec 04, 2020 6:08 pm, edited 1 time in total.
My dad used to say,"If you can read, you can do anything!"
- deskinthewoods
- Posts: 241
- Joined: Thu Mar 08, 2018 10:35 am
- Member's Photo Album: http://www.delica.ca/Photos/
- Vehicle: 1991 L300 Star Wagon named "Wilson"
- Location: Wakefield, Québec
Re: Defogger Switch / Relay ?
I've been sleuthing in the wiring diagrams...
It seems that the green/white wire has to do with the switch illumination.
There are two lamps in the switch. The green/white wire is energized with the the instrument panel and other dash lights when the lights are turned on by the main switch on the steering column which illuminates the defogger switch (a green lamp).
The defogger switch lamp "on" indicator lamp (an orange lamp) gets illuminated from the black/red wire from the relay when the relay is energized through the blue/red wire when the switch is turned on. (The blue/red wire is the only switched wire in the switch; the black/red and green/white are always in a state of continuity)
I think that's all correct... :)
It seems that the green/white wire has to do with the switch illumination.
There are two lamps in the switch. The green/white wire is energized with the the instrument panel and other dash lights when the lights are turned on by the main switch on the steering column which illuminates the defogger switch (a green lamp).
The defogger switch lamp "on" indicator lamp (an orange lamp) gets illuminated from the black/red wire from the relay when the relay is energized through the blue/red wire when the switch is turned on. (The blue/red wire is the only switched wire in the switch; the black/red and green/white are always in a state of continuity)
I think that's all correct... :)
Last edited by deskinthewoods on Fri Dec 11, 2020 5:45 am, edited 2 times in total.
My dad used to say,"If you can read, you can do anything!"
- deskinthewoods
- Posts: 241
- Joined: Thu Mar 08, 2018 10:35 am
- Member's Photo Album: http://www.delica.ca/Photos/
- Vehicle: 1991 L300 Star Wagon named "Wilson"
- Location: Wakefield, Québec
Re: Defogger Switch / Relay ?
I'm curious as to what you want to use the switch for... 
My dad used to say,"If you can read, you can do anything!"
-
Furi
- Posts: 167
- Joined: Mon Apr 11, 2016 11:00 am
- Member's Photo Album: http://www.delica.ca/Photos/
- Vehicle: 1990 L300
- Location: Queens, NY
Re: Defogger Switch / Relay ?
Thanks both. Lots of good information to go by. The piece I was missing was power into the switch which as you guys explained comes from the relay. I'm trying to leave the relay/harness as is so in the future the process could just be reversed. So will be using the switch with a new 4pin relay.
And didn't know about the two lights in the switch. Thought it was just the one displayed in the diagram.
Repurposing the switch for a constant voltage/current charging of a Lithium battery, so instead of drilling holes or installing panels, trying to use the existing switches that I'm not using anymore. Installed a camera and blocked off the back for a camper conversion, which has free'ed up the switch. Also the rear wiper switch. But no plans for that yet :)
Thanks again.
And didn't know about the two lights in the switch. Thought it was just the one displayed in the diagram.
Repurposing the switch for a constant voltage/current charging of a Lithium battery, so instead of drilling holes or installing panels, trying to use the existing switches that I'm not using anymore. Installed a camera and blocked off the back for a camper conversion, which has free'ed up the switch. Also the rear wiper switch. But no plans for that yet :)
Thanks again.
-
Furi
- Posts: 167
- Joined: Mon Apr 11, 2016 11:00 am
- Member's Photo Album: http://www.delica.ca/Photos/
- Vehicle: 1990 L300
- Location: Queens, NY
Re: Defogger Switch / Relay ?
Are these diagrams from the same source I posted earlier?
deskinthewoods wrote: ↑Fri Dec 04, 2020 2:14 pmI agree. Though I would pull the relay and put a jumper (a bit of wire shoved into the correct sockets, #2  I think) to connect the circuit.I would not worry about the extra contact - just remove it.
Defogger relay.PNG
Then break your hot wire and run that to and from your new use.
Defogger-switch-wiring.png
I'd also check the continuity across the two unknown terminals of the switch to see if they are switched together (the switch activates that circuit) or with the other circuits.
I'll try to have a look at mine tomorrow...
- deskinthewoods
- Posts: 241
- Joined: Thu Mar 08, 2018 10:35 am
- Member's Photo Album: http://www.delica.ca/Photos/
- Vehicle: 1991 L300 Star Wagon named "Wilson"
- Location: Wakefield, Québec
Re: Defogger Switch / Relay ?
I pulled those from my shop manual PDFs which I assume is where yours is from.
My dad used to say,"If you can read, you can do anything!"
Re: Defogger Switch / Relay ?
Nice drawings deskinthewoods. They are definitely easier to read than my scroll - however, you may wish to look @ the jumper you have on the switch. The connection you made puts the lights and new load in series instead of parallel. This would be a voltage divider and would not provide the 12V each needs. The light needs to be wired parallel to the New Load.
- deskinthewoods
- Posts: 241
- Joined: Thu Mar 08, 2018 10:35 am
- Member's Photo Album: http://www.delica.ca/Photos/
- Vehicle: 1991 L300 Star Wagon named "Wilson"
- Location: Wakefield, Québec
Re: Defogger Switch / Relay ?
Well, thanks for that info. I'm not an expert in things electrical but I'm pretty good at trying stuff and then going, "Well, that didn't work!"

(I've deleted the misinformation from the previous post...)
(I've deleted the misinformation from the previous post...)
My dad used to say,"If you can read, you can do anything!"
Re: Defogger Switch / Relay ?
Dam - I was hoping you would make the couple little changes to your drawing to provide a clear picture of what to do. Your jumper on the relay was a great idea to make the wiring easier.