(EDIT: updated AGAIN with latest photos, schematic, deets)
Okay so I have been working on this in the past two weeks and here is where I'm at:
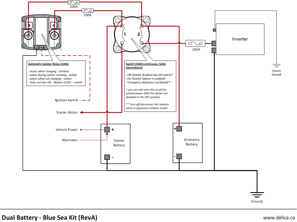
*
Automatic Isolator Relay/Charge Controller
- Automatic combine when charging
-
starter isolation so you don't blow your inverter (triggered by ignition switch)
*
Main Power Switch (Manual Override for emergency starts)tart
* dedicated cabinet behind the battery compartment
Blue Sea Add A Battery Kit

- Dual Battery - Blue Sea Kit.jpg (173.76 KiB) Viewed 5763 times
First test of the automatic isolator:
- start the truck, voltage goes up to 13V (alternator is spinning). Not quite high enough to trigger the relay.
- turned up throttle to 2K RPM, voltage increases to 14V (alternator is spinning FASTER). 30 seconds later, the relay actuates and the Combined light goes on. Both batteries are charging.
- turned off engine. 30 seconds later, the relay opens and the batteries are isolated again.

- Flux Capacitor is online
- IMG_4392_resize.jpg (597.09 KiB) Viewed 5729 times
I like this photo set because its sort of like proof that your primary school math teacher didn't lie. (Note: this was taken with the engine off. The automatic isolator is open.) When you manually combine the batteries, you end up with the average of the two cell's voltage.

- MathWorks.jpg (676.5 KiB) Viewed 5855 times
TO DO LIST:
- add digital voltmeter
- install a marine grade 12V power point (always on, accessory battery)
- add an Anderson SB connector for external jump starts
- wire a LED to top of cabinet (flush mounted) to indicate combine mode (can see from driver's seat)